智慧气象环境监测设备供应商
始终坚持做高精度客户喜爱的科技产品

一、环境监测传感器产品简介
环境监测传感器是一种户外环境监测用的仪器,在户外的环境中快速的采集气象信息以及环境污染信息,环境监测传感器应用于环境监测站、环保检测或计量校准机构、科研院所等场所使用。
山东风途物联网科技有限公司作为专业研发生产气象传感器的企业,一直致力于气象传感器和气象环境解决方案推广应用。具有完整的生产链、实力雄厚的技术团队和全面的营销团队,我们研发生产的传感器已广泛应用到智慧农业、气象监测、城市环境监测、风力发电、航海船舶、航空机场、桥梁隧道等领域,客户遍布全国各地,并取得了良好的社会效益和经济效益。
二、环境监测传感器产品特点
1、抗干扰能力强,具有看门狗电路,自动复位功能,保证系统稳定运行
2、高集成度,无移动部件,零磨损
3、免维护,无需现场校准
4、采用ASA工程塑料室外应用常年不变色
5、产品设计输出信号标配为RS485通讯接口(MODBUS协议);可选配232、USB、以太网接口,支持数据实时读取☆
6、可选配无线传输模块,最小传输间隔1分钟
三、环境监测传感器技术参数
1、空气温度:-40-60℃(±0.3℃);(北京市气象局校准证书)
2、空气湿度:0-100%RH(±3%RH);(北京市气象局校准证书)
3、光照:0-20W LUX(5%)
4、PM2.5:0-1000ug/m3(±10%)
5、PM10:0-1000ug/m3(±10%)
6、噪声:30-120dB(±1.5dB)
7、功率:0.96W
8、生产企业具有计算机软件注册证书☆
9、生产企业为3A级信用企业☆
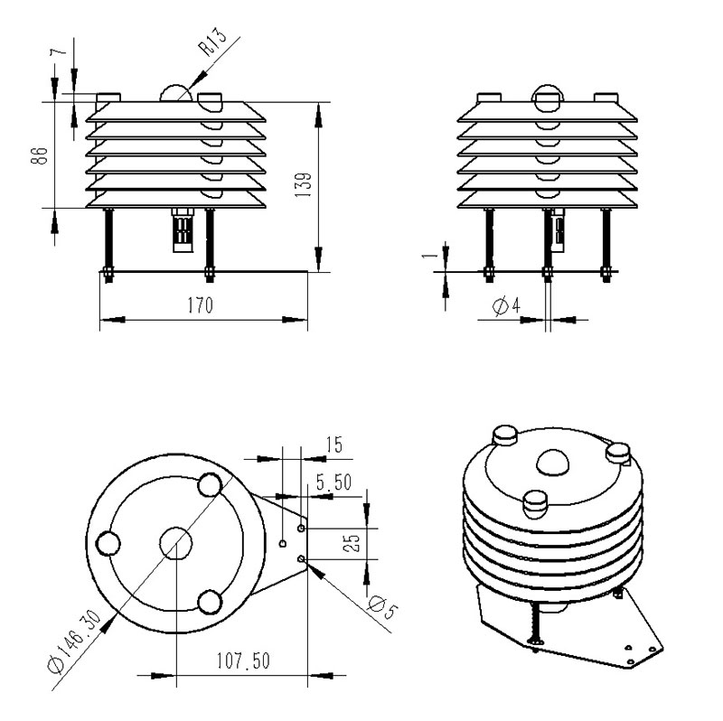
四、环境监测传感器产品尺寸图

五、环境监测传感器产品结构图

更新时间:2026-04-22